![]() |
LINKS TO FEATURED PAGES: |
|||||||||||||||||||||||||||||||||||||||||||||||||||||||||||||||||||||||||||||||||||||||||||||||||||||||||||||||||||||||||||||||||||||||||||||||||||||||||||||||||||
|
|
||||||||||||||||||||||||||||||||||||||||||||||||||||||||||||||||||||||||||||||||||||||||||||||||||||||||||||||||||||||||||||||||||||||||||||||||||||||||||||||||||||
Auxiliary chokesThe auxiliary chokes are small suspended venturis that sit inside the throats of the DCOE and atomize fuel from the main cruise circuit into the air stream. The number on the auxiliary choke refers to the diameter of the cross section area of the delivery port (venturi) and not the size of the fuel nozzle that delivers fuel into the port. The smaller the diameter, the higher the air velocity through this suspended venturi and the sooner the main or cruise circuit comes into play. To understand the role of the auxiliary choke you need to understand how fuel is delivered to the engine at different RPMs. The DCOE has three different fuel delivery systems (not counting the cold start and accelerator pump circuits) that deliver fuel into the throats of the carburetor at different RPMs. Tuning a Weber is a matter of trying to obtain the relationship shown in the graph below.
Ideally you want the richness level of each circuit to be the same. The ideal intersection of the curves is where the fuel delivery of the circuit going out plus the fuel delivery of the circuit coming on added together equals the total amount of fuel delivered when either circuit is in the middle of its range. The idle and progression circuits are cast and drilled into the carburetor body making the location of their curves at fixed engine RPMs. The idle jet provides fuel to both the idle and progression circuits. This jet determines the richness of the progression circuit and the idle mixture adjustment screw sets the richness of the idle circuit curve. The main jet stack sets the richness of the main circuit and the size of the auxiliary venturi determines the RPM at which the main circuit curve intersects with the progression circuit curve. The main cruise circuit usually comes into play around 2800 to 3000 RPM. Below that, the engine is operating off the idle jets. This should help you trouble shooting any problem that occurs only above or below around 3000 RPM.
A Note About JetsMost DCOE jets have tapered ends. The tapered end of these jets sit snugly against seats in the carb body to create seals between different areas of the carburetor. If the seal is not made or is broken the carburetor will not function properly. These jets are mounted onto holders with a friction fit. As the holder is threaded in, the taper at the end of the jet comes into contact with the passage seat and is pushed back into the holder maintaining a contact seal. If the jet is initially pushed all the way into the holder it may not reach all the way to the passage seat. The fit between the jet and holder should always be tight. A loose fit can allow a jet to back away from the seat over time. The proper method of installing a jet is to fit it only about one eighth an inch into the holder then allow the passage seat to push the jet in the correct distance as you screw in the holder. Be careful not over tighten the jet assemblies. Once the jet is seated it doesn't take much torque to hold everything in place. Most jet sizes are in numbers that give their actual diameter in hundredths of a millimeter. Idle jets can also have F numbers that indicate their ability to emulsify fuel. The number behind the F has nothing to do with the hole flow rate. Emulsion tube designation is by the numerical order in which they were designed and has nothing to do with their flow characteristics. There is NO flow relationship between different number designations of emulsion tubes.
Idle Jets
|
||||||||||||||||||||||||||||||||||||||||||||||||||||||||||||||||||||||||||||||||||||||||||||||||||||||||||||||||||||||||||||||||||||||||||||||||||||||||||||||||||||
Illustration key: To set the butterfly valves correctly, adjust the throttle plate screw (6) to where it just touches but does not move the throttle shaft. Turn the screw in 1/2 turn then do not touch this screw again. This screw is not intended to be used to adjust idle speed. If there is enough air flow the idle RPM will be correct after properly setting the idle adjustment screw (4). If there is not enough air flow, the idle RPM needs to be adjusted after the idle mixture is set. Next, set the idle mixture adjustment screws (4) to one turn off closed and start the engine. First, turn the mixture screw towards closed in 1/4 turn increments until the engine dies or runs worse, then back out the screw in 1/4 turn increments until the screw does nothing or the engine runs worse. Then turn the screw back towards closed until you reach the point where the engine just starts to run poorly. Once there, turn the mixture screw back out to the leanest point where you encounter the best, fastest and smoothest idling. Use your ear, not a scope or tuning instruments for this. You want to tune the idle mixture by sound and feel. |
If the idle jet size is close to correct, the best idle point should be when the idle mixture flow screws (4) are between 7/8 of a turn to 1-1/2 turns off closed. If only a half turn or so of the idle flow screw from closed obtains the correct idle RPM chances are the fuel opening in the idle jet is too large and you should try the next leaner jet. If the screws need to be turned out 1-1/2 turns or more chances are the the fuel hole in the idle jet is too small and you should try the next richer jet.
If you are taking a CO reading, 2.5% CO at idle is ideal for a street engine. Higher than 3.5% is unusable and just provides poor fuel consumption without gains.
If you can not obtain a correct idle by adjusting the idle mixture screw then the throttle plates are not passing enough air and you need to increase the amount of air going past the throttle plates.
On newer DCOEs with Venturi balance adjustment screw (2):
The venturi balance circuit is an air path that bypasses the throttle plate. The amount of air that bypasses the plates is controlled by the adjustment screw. What this does is allow additional air to go past the throttle plate at the idle position when the throttle plate does not pass enough air for the engine to idle properly (remember we do not adjust the idle adjust screw (6) after it is set at 1/2 turn). Adjusted properly it will let enough air past the throttle plates to allow the engine to idle properly. This adjustment is very sensitive so a little amount of turn can make a big difference in idle.If the engine will not idle with the throttle plates closed set the idle lever adjustment screw (6) to 1/2 turn beyond initial contact, the idle adjustment screws (4) set at one turn up from fully seated. If the carbs idle and both Venturi balance adjustment screws fully seated. adjust the Venturi balance adjustment screws 1/16th turn off seated then start the engine to see if it idles. If not, adjust both Venturi balance adjustment screws out in 1/16th turn increments until a ballpark idle is achieved then zero in the idle using the idle mixture adjustment screws. When you are satisfied that the Venturi balance adjustment screws are correct, tighten down on the lock nuts and put the cover over the adjustments as they should never need to be adjusted again.
On older DCOEs without Venturi balance adjustment screw (2):
The throttle valves need to be modified to allow additional air flow in the idle position. This is done by drilling holes in the throttle plate near the bottom edge. Drill a 1/2 mm dia hole in each plate on each carb, refit the carbs then try to get the engine to idle. If there is not enough air flow, enlarge the holes to 1mm and try again. If you still do not have enough air, drill a second 1/2mm hole near the first, refit the carbs and try again. Some people file the bottom of the throttle plates to get extra air flow. I do not recommend this as there is no way to assure you have filed the exact same amount off each throttle plate on each carb.
The final selection for idle jets should be based upon how the engine performs in the progression circuit over the progression band.
Before making the final testing for the idle jets make very sure the ignition is properly set up and functioning with the advance not starting until around 1200 RPM and properly advanced initial timing. With a modified engine the initial timing will probably be in the neighborhood of 8 to 12 degrees BTDC with at total advance of 32 to 34 degrees. An ignition timing problem can be seen as a progression circuit leanness. Initial timing that is too retarded for the engine is a source of spitting out through the carburetor throats.
Slowly advance the throttle off idle and listen for any hesitation. If there is a hesitation the mixture is too weak. Adjust the idle flow screws out 1/2 turn and try again. If the hesitation is still there the jetting will need to be altered. On a TR engine if a F8 air bleed hole is too lean try an F9. If you are too lean with an F9 go up a jet size with an F8 air bleed hole. For other engines, try two steps richer on the air correction hole while leaving the fuel hole the same size. Reset the idle then retest. For non TR3-4 engines, if going to the richest level (F6) does not get rid of the hesitation, go to the next size larger fuel hole and rerun the tests with different air bleed holes.
When the no load tests are completed drive the car and retest under load conditions.
The ideal idle jet size provides an idle CO in the 2.5 to 3% range with the idle flow screws adjusted between 7/8ths of a turn and 1-1/2 turn and does not cause the engine to hesitate on the progression circuit. The next leaner air bleed size would cause a hesitation under load conditions. A richer jet will provide poorer fuel consumption. An over rich jet will not provide top performance.
If you have the throttle linkage connected at this time, the rods between the carburetor's throttle arm and the crank need to be identical in length. Different length arms will affect the carburetor synchronization as you move off idle.
These three items form the main jet assembly that provides fuel to the engine once the throttle plates (butterfly valves) are open beyond the progression holes. The emulsion tube is a long brass tube with openings along the side. The main jet is a friction fit into the bottom of the emulsion tube. The air correction jet is a friction fit into the top of the emulsion tube.
There is a fuel passage that goes from the float chamber, through the main jet and into the emulsion tube. When the engine is not running the fuel level inside the emulsion tube is the height of the level in the float chamber.
There is an air passage from the small hole on the face of the DCOE into the float chamber, through the air correction jet and into the emulsion tube.
As the throttle plates move towards full open they cease to draw enough vacuum to pull fuel from the progression holes and start drawing fuel from the auxiliary chokes.
The vacuum at the auxiliary choke draws an emulsified air fuel mixture from the emulsion tube and out through the auxiliary venturis. As the emulsified air fuel mixture is drawn out of the emulsion tube, fuel flows from the float chamber through the main fuel jet into the emulsion tube to replace the emulsified air fuel mixture being drawn out of the emulsion tube.
Air is also drawn down through the air correction jet into the emulsion tube where the air and fuel are mixed.
Choosing the correct stack is essential for cruise and high RPM performance.
The main jet controls the fuel mixture in the emulsion tube in the mid RPM range when the cruise circuit is activated. As the RPM range increases the air correction jet becomes more of a factor and becomes the dominant partner in controlling the mixture at high RPMs.
The main jets are numbered by the diameter of the jet opening and come in size steps of 5 hundredths of a mm. Too lean a jet can damage the engine through overheating. Too rich a jet washes the oil off the sides of the cylinder walls and causes rapid cylinder wall wear.
The ball park rule of thumb for picking a jet main jet size for a street engine operating at sea level is to multiply the venturi size times 4. The common main jet range for the TR engine operated near sea level is 135 for stock engines and normal street driving through about 150 for high performance race cars. 140 and 145 seem to be the most common sizes for high performance street and auto cross
At high elevations our engines are getting less air, so they need less fuel to maintain the proper air/fuel ratio. Generally you would go down 1 main jet size for every 1750 to 2000 feet of elevation you go up. If you normally run a 140 main jet at sea level you would drop down to a 130 at 4000 feet. Something else goes down as you go up in elevation is horsepower. You can figure on losing about 3% or your power for every 1000 feet you go up. At 4000 feet your power will be down about 12%-even though you re-jetted!
The air correction jets only affect the top end performance of the engine. The larger the number on the jet the larger the air hole and the leaner the main jet runs at higher RPM.
If the air correction jet is too lean (too large a hole) the engine will miss near peak RPM. If the air correction jet is too rich (too small a hole), the engine will not produce optimum power. For testing purposes, find the largest diameter air correction jet that causes a high RPM misfire then fit a 10 to 20 smaller dia (richer) air correction jet.
The air correction jet number is their hole diameter in hundredths of a millimeter. and range in size increments of 5. When testing, the minimum increment of changes should be at least 10 with 20 being the more common increment to notice changes.
Here is a guideline for approximate air correction jet selection for those of us without a large supply of air correction jets:
For stock to mild engines with a 5000 RPM redline where fuel economy is a strong factor, a good starting point for the air correction jet is figured by adding 50 to your main jet size.
As you progress towards a full race engine and higher RPMs the size of the air correction jets decreases (fuel mixture becomes richer), with a full race TR engine having an air correction jet size of about 10 or 20 hundredths of a millimeter. larger than the main jet size.
For a modified street engine running 34mm chokes having a red line at or below 5000 RPM, adding 30 to 50 to the main jet size would probably be a good starting point for the air correction jet.
For a modified street engine running 34mm chokes and having a red line around 6000 RPM, adding 25 to 40 to the main jet size would probably be a good starting point for the air correction jet.
For a modified engine needing 36mm chokes to produce full power above 6000 RPM adding 10 or 20 to the main jet size will probably be a close starting point.
As the name implies the emulsion tube is where air is mixed with fuel to form an air/fuel emulsion (fuel with lots of little air bubbles in suspension). The vacuum formed in the auxiliary choke draws this emulsion out of the emulsion tube and into the air streaming through the auxiliary choke where it is atomized into the air stream and delivered into the combustion chamber.
The emulsion tube affects the acceleration phase as the main jets are activated. If the emulsion tube size is incorrect the engine will not accelerate cleanly when the main cruise circuit is operating. The effect of changing emulsion tubes can be very subtle to detect. Emulsion tube operation is very sensitive to the fuel level in the float chamber. So you need the right size float valves and closely set floats for the emulsion tubes to work as intended.
Emulsion tubes differ by their internal diameters and the number, size and positions of the side holes. They are complex tubes where "just the right level of emulsification happens here". Their part number reflects the order in which they were developed and not any physical attribute.
The tube sizes are (in order of rich to lean):
F7 (rich), F8, F2, F11, F16, F15, F9 (lean). There are additional sizes.
F15 emulsion tubes seem to be the size universally recommended for Triumph TR engines and they seem to work OK. I do not understand them enough to experiment since so much of what happens is determined by the air and main jet sizes and the level of the fuel in the float chamber while the engine is running.
The accelerator circuit consists of:
The metering hole in the accelerator pump jet has to be large enough to remove any hesitation or stumble caused by the lean condition created by suddenly opening the throttle plates (butterfly valves) at low RPM. Too large a jet will cause a "bogging down" of the engine from too much raw fuel.
The jets are numbered for their hole size in hundredths of a millimeter. and are in five hundredths of a millimeter. steps (i.e. 35, 40, 45, 50).
Accelerator pump jets commonly recommended for the TR four cylinder engine are 40 and 45. Use the smallest jet size that will eliminate any hesitation or stalling when the throttle is suddenly opened.
The accelerator pump intake/discharge valve can have a discharge hole that finely tunes the flow of the accelerator pump jet in-between the step increments.
This is a one way valve that allows fuel to flow into the accelerator pump reservoir and keeps the fuel from going the wrong way when the accelerator pump is activated.
It can also be used to precisely tune the amount of fuel injected into the engine by the accelerator pump jet . This is accomplished by selecting a valve with a discharge hole on the side. If there is no discharge hole, the accelerator pump intake valve acts purely as a one way valve. If there is a hole, part of the fuel is discharged out the side hole back into the float chamber when the pump is activated, bleeding off the excess fuel not required to accelerate the car cleanly.
The number on a valve with a discharge hole is the size of the hole in hundredths of a millimeter., i.e. a valve marked 50 has a 0.5mm discharge hole in the side.
The most common accelerator pump intake/discharge valve size recommended for the TR engine is 50.
The needle or float valve assembly regulates the amount of fuel allowed into the carburetor's float chamber and maintains the fuel level within a very limited range. The top stop of the float regulates the level of the fuel while the lower open stop regulates how far open the valve can open. The diameter of the valve regulates the rate at which fuel that can enter the chamber as the valve opens. There are a range of needle valve sizes available for the DCOE. The needle valve needs to be large enough to allow an adequate flow of fuel into the float chamber but should not be larger than necessary. Too large a valve will let too much fuel in quickly before it closes and cause a pulsing over rich condition. A 2.00 needle and seat is usually recommended for TR engines. A 1.50 needle and seat might work better on a TR engine with 83mm pistons tuned for economy but the 2.00 is always a safe bet. |
Note these are ball park numbers based upon the recommendations of several people/companies/books/articles and should not be considered as absolute correct settings. During the time these recommendations were made pump gas was 100% gas. Since then Ethanol as been added to almost all pump fuels. Sometimes at a ratio of 10% or more. Ethanol is not as efficient as gas and you need more of an ethanol/gas blend than you do pure gas. But you need to begin somewhere. Just realize that the listed jetting will probably be ballpark for 100% gas racing fuels but will need to be larger for gas/ethanol blends. How much larger depends upon the blend ratio. From here run CO testing for the main jet/emulsion tube/air correction jet stack. The whole purpose for all these jets and air correction tubes is to be able to dial in your carburetors to closely meet the needs of your engine and your driving conditions. If you settle for a loose approximation you might as well have stayed with your original SUs or Strombergs.
Note: the 42DCOE settings on the chart are those published in most books but may not represent the optimum sizes for the application. Triumph UK racing department only used DCOEs on a small number of rally cars for a short period of time. They likely did not take the time to dial the carbs in for all driving conditions. I added that column because it is in all the books (likely all copied form one source) and people who are comparing this chart to a book are likely to feel more comfortable seeing it included. It is not there as a recommendation for jetting.
| Engine |
Economy |
stock |
modified |
modified |
modified |
Currently on |
Factory |
Tony Drews |
Greg Solow |
|---|---|---|---|---|---|---|---|---|---|
| choke |
30-32 |
32-33 |
32-34 |
34-36 |
36-38 |
34 |
32 |
36 |
40 |
| aux choke |
3.5 |
4.0 |
4.0-4.5 |
4.5 |
4.5 |
4.5 |
4.5 |
|
5.0 |
| idle jet |
45F9 |
45F9 - 50F9 |
45F9 - 50F9 |
50F9-55F9 |
50F9-55F9 |
50F9 |
50F2 |
|
55F6 |
| main jet |
130 |
130-135 |
130-140 |
140-145 |
145 |
145 |
140 |
135 |
145 |
| air correction jet |
190 |
190 -180 |
180-160 |
170 - 150 |
170-150 |
170 |
150 |
135 |
140 |
| emulsion tube |
F15 |
F15 |
F15 |
F15 |
F15 |
F15 |
F15 |
F16 |
F11 |
| accelerator pump jet |
40 |
40 |
40-45 |
45 |
45 |
45 |
50 |
|
35 |
| accelerator pump intake/ |
50 |
50 |
50 |
50 |
50 |
50 |
50 |
|
|
| Needle valve |
1.50 - 2.00 |
2.00 |
2.00 |
2.00 |
2.00 |
2.00 |
2.00 |
|
|
The floats open and close the float valve. The closed setting regulates the fuel level in the float chamber and in the emulsion tubes.
Traditionally DCOEs came with soldered brass floats. Lately most if not all are being provided with plastic floats. The float settings are different between metal and plastic floats. Note: some of the additives in newer fuels may attack the plastic floats. If you start having problems that might be caused by incorrect bowl fuel levels and you have plastic floats it would be good idea to remove the top cover and inspect the floats.
The float setting is dependent upon the carburetor you use. Here is a chart for brass floats (My carbs have brass floats):
| DCOE series |
float valve closed |
float valve max open |
|---|---|---|
40DCOE, series 2, 4, 18, 22/23, 24, 27, 28, 31,32 |
8.5 |
15 |
40DCOE series 29/30 |
5.0 |
11.5 |
40DCOE series 44/45 |
7.0 |
14 |
40DCOE series 72/73, 76/77, 80/81 |
7.5 |
14 |
42 DCOE series 8 |
5.0 |
13.5 |
45DCOE series 14, 14/18, 17 |
8.5 |
15 |
45DCOE series series 9 |
5.0 |
13.5 |
45DCOE series 72/73, 76/77, 80/81 |
7.5 |
14 |
45DCOE series 38/39, 62/63, 68/69 |
5.0 |
14 |
Both floats need to have the identical setting. You may need to bend the arms between the two floats to get them exactly the same closed height.
The ideal tool to set the closed float position is a round rod with the precise diameter of the closed float setting. The seam of the float should not be taken into account when measuring the float level so there should be groves cut into the rod to clear the float seams. This will allow you to see both the accuracy of the setting and any variation between the two floats.
The open and closed measurements should be taken with the top gasket in place. The closed position should be measured just as the floats close the valve and not with the entire weight of the floats upon the valve. This is done with the top plate tilted a little over vertical.
Webers need a pump that can provide a high volume of fuel at a low pressure. The fuel pressure should be regulated to between 1.5 and 2.5 pounds per square inch at high RPM and no higher than 3 PSI at low RPMs. Too high a fuel pressure will force fuel past the float valve causing rich erratic running.
Luckily for us the the stock AC fuel pump that comes on our engines pump in this range when healthy. A fuel pressure regulator is optional with the stock TR fuel pump. If you fit an electric fuel pump you will need to fit a fuel pressure regulator. If you use an after-market electrical fuel pump be sure to test the output pressure over a range of RPMs to determine if you need to fit a pressure regulator.
It is important that your pump supply at least 1.5 pounds pressure at high RPMs. If it does not it will require rebuilding or replacing. The key is enough volume to keep the fuel bowl full and pressure low enough as not to force the fuel bowl overfull.
Webers have a wire screen filter in the inlet. This filter does not have a good reputation for working well over time. Considering the size of some of the jet openings I suspect the built in screen is not really fine enough to prevent clogging. You should consider installing a high volume fuel filter between the fuel pump and the fuel regulator. On a street car it is s good idea to remove and inspect the screens as part of your 3000 mile service. New blends of fuel can cause some fuel lines to deteriorate along the inside. Your fist sign of this happening to you will be black particles on the screens. If you start to see black particles on the Weber's fuel screens it is time to replace all rubber fuel lines on the vehicle and clean the fuel pump's sediment bowl (Use a new rubber seal).
A word about fuel lines - Do not use regular worm gear hose clamps with steel braided fuel lines. The steel braided fuel lines are designed not to crush. You will end up with an iffy seal.
DCOEs prefer to be mounted with a 5 degree upward angle and should never be mounted at a greater angle that 7 degrees above horizontal. They will not perform properly at a greater angle.
A new intake manifold should be checked for proper alignment. Preferably before you pay for it. If the studs are out of alignment the carbs will be out of alignment causing differences in the way linkage opens each carb and sync problems at some part of the throttle travel.
One thing you can check in the store is that the studs are at right angles to the carb mounting surface. Also if you have a DCOE handy you can slide it over the studs and assure yourself that the carb base will sit flatly on the manifold with no gaps.
It is harder to check TR four cylinder intake manifolds for stud alignment because you need two manifolds per engine. You need to test fit the manifolds to a head for alignment testing. Once fitted, lay a straight edge over each row of studs and look for an out of alignment stud. The recommended maximum of allowable misalignment is 0.25 mm (0.010 inches). If it is more than that you need to weld the hole shut, resurface the top, and align drill a new stud hole. Like I said, it is best to make this measurement before money changes hands or when you can return the manifolds for replacement or credit.
The top studs should protrude 38 mm (1.5 inches) from the manifold. The bottoms ones can be between 38 and 40 mm (1.57 inches).
DCOEs are susceptible to fuel frothing and should be installed with anti vibration mounts. There are a couple of kinds and each comes with instructions for proper tightening. If you use the kind with 'O' rings that sit in a groove be sure the 'O' ring doesn't slip when you are mounting them. That would guarantee an air leak in a venturi.
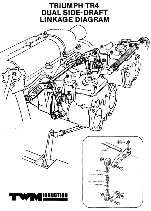
TR linkage uses a solid cross bar with an arm and push rod for each carb plus one for the pedal linkage. It is critical that each of the arms connecting the carburetors be exactly the same length (within 0.5 mm or 0.020 inches of each other). If they are different lengths the carbs will go out of synchronization as the throttle opens.
Here are drawings showing how TWM linkage is set up for dual DCOEs on TR engines:
The DCOE comes with a built in return spring. For safety, it is a good idea to add another return spring for each carb what will work if the linkage slips. This will be required if you go racing. MGB return springs work well for this application.
The DCOEs full of fuel are weights sitting at the end of the intake manifold. Manifolds have been known to stress crack over time and vibration. Some racers add a plate between the two carbs and a down diagonal brace from the plate arm to an anchor point connected to an oil pan mounting bolt. The brace rod is usually connected to it's anchor point at each end with rubber gaskets to reduce vibration. This relieves the weight off the manifold head studs and keeps stress cracks from appearing.
On a TR four cylinder engine the carbs sit above the exhaust headers. Most racers construct a heat shield that fits between the carbs and the headers to allow the carbs to run cooler.
Air is not good at making sharp right turns and turbulence is built up at the sharp edges of a DCOE throat that does not have an air horn. This decreases the amount of air fuel mixture that can be delivered to the engine and disrupts the air flow within the throats. The air horns provide a smooth flow of air into the throats of the DCOE. The rounded edges of the air horn allow air to enter with a minimum of turbulence.
Air horns of some length should always be fitted to a DCOE if the carburetor is to perform correctly and provide the most air fuel mixture to the engine. The DCOE 40 and 42 carburetor requires air horns to lock the auxiliary venturis in place.
The distance between the intake of a cylinder and the beginning edge of the air horn is called "the run". As a rule of thumb, the shorter the run, the more top end power. The longer the run the more low end torque and low end throttle response is available. The length of the run is tunable by the length of the air horn. This is why there are a number of lengths available.
Of course with our low rev engines, a long run is desirable for maximum power within our usable power band. Unfortunately for us the inner wheel well limits the space for a long run (long air horns). This is especially true in TR3s where the front DCOE throat sits close to the inner wing.
Some TR3 owners modify their inner wings to provide additional space for the air horns and air filter. I personally decided to sacrifice a little performance and maintain a stock inner wing. I went with the shortest of the air horns which is basically just a rounded lip to minimize turbulence and a very short itg air filter that allows air flow through the side facing the carb openings. Even then I needed to modify the front lower edge of the itg filter for clearance.
Which gets me around to air filters. While the air horns on a DCOE look very good and "racy" they should be covered up by an air filter. Your expensive engine will not last all that long without an air filter.
Sock type air filters should be avoided because they create turbulence that keeps the air horns from working properly and lowers the overall air flow into the throats of the carburetors. The worst you can do is a right angle air horn with a sock.
In general air filters seem to fit into two types. One has a short tubular type element with solid ends and the other has elements on all sides except the back plate.
The type with the short tubular element tend to be very good but take up a lot of space. For proper air flow into the air horns there should be minimum of two inches of space between the end blanking plate and the openings of the air horns.
The type that has filter elements everywhere except the back plate can be considerably closer to the air horn because air flows in from in front of the air horn.
These filters almost all have oiled foam elements. There are some very good ones and some very cheap not good ones. Stay away from the cheap filters that only have a single layer of one size foam.
Also, foam filters rely heavily upon their sticky oil coating to filter properly. Follow the care instructions that come with your filter religiously.
K&N and itg are two good names in the foam air filter business. I personally choose an itg filter for my TR3. It allowed me to use a single air filter that fits into the tight clearance between the TR3 inner wing and the front venturi. With the front foam surface and very short horns I can get reasonable breathing on that front venturi. If you decide upon an itg filter the TR2-4A engine takes the itg 28-JC-50 backplate. Which filter you need depends upon the space you have and the length of your air horns. A TR4 has a lot more space for a filter than a TR3 has. A TR4 can take a flat top type but the TR3 with unmodified wing needs the half round type. Best to talk to a dealer for the correct filter for your TR.
itg has a formula (for their filters only) that calculates the minimum distance between the horn opening and the facing element for no negative affect in air flow. The minimum distance is calculated by dividing the inner diameter of the air horn by four. For instance the minimum non interference distance the filter face can be from a 58mm dia. air horn is 14.5mm (about 9/16s of an inch).
The shortest carb face to facing element filter itg offers for duel DCOEs is 55 mm. I used this height filter with a rounded top in conjunction with the shortest air horns available to achieve a fit adjacent to an unmodified TR3A inner wing
There is an air hole in the intake side of the carburetor above the throats that provides air to the float chamber and the various air bleed jets. It should not be blocked by the air filter backing plate and it should have the same pressure as the air horns get if you decide to build ram flow air box of some kind.
If you just add DCOEs to an engine and start it up chances are that it will idle poorly and occasionally spit out the front of the carbs. Modified engines and engines with DCOEs need more than stock advance. Stock advance is 4 degrees BTDC. You will probably need at least 8 degrees BTDC initial timing with a cam and DCOEs. With a cam a good idle speed should be 800-1200 RPM depending upon the duration of the cam. If the timing is too retarded the engine will not perform well below 3000-ish RPM unless you had very big idle jets. A way too rich idle jet can mask a lack of spark advance and reduce carb spittings but will drastically decrease fuel mileage.
Maximum total advance (initial advance + vacuum advance + mechanical advance) on the TR engine should be 32 to 34 degrees. Too much advance causes the engine to run weaker at high RPMs and leads to early engine damage. I think max advance on a stock TR engine is 32 degrees. You should not use a vacuum advance with DCOEs. Distributor advance should be mechanical only.
The stock TR distributor would require experimenting with weaker springs on mechanical advance and some kind of block to limit the max advance. A precision adjustment is almost impossible.
Best bet is to purchase a Mallory mechanical advance distributor and a curve adjustment kit. The off the shelf Mallory distributor comes with a 28 degree curve which provides correct total timing when the distributor is set to the factory stock initial advance (stock cam). Depending upon your cam you will probably want to adjust the distributor's advance to 22 to 26 degrees then set the initial timing for total advance to 32 to 34 degrees.
1. Cap for accelerator pump jet 2. Venturi balance adjustment with plastic cap. Fitted to newer DCOEs Screws should be seated unless needed to set proper idle 3. Cold start lever (choke) 4. Idle mixture adjustment screw. Used to adjust idle speed and to sync carbs 5. Progression hole cap. Allows access to progression holes for easy cleaning. 6. Idle lever adjustment screw. Set 1/2 turn past initial contact with throttle shaft |
|
Top of a DCOE with centre cover and fuel filter cover removed 1. Main jet stack 2. Idle jet 3. Fuel filter screen 4. Fuel chamber for filter Notice how easy it is to get at the main and idle jets for cleaning or replacing. You can perform minor carb rebuilds without removing the carb from the manifold. |
|
![]() |
Top cover removed from a 45DCOE 1. Baffle plate (reduces chance of fuel sloshing up into air correction jets) 2. Cover for accelerator pump jet 3. Cover for progression holes 4. Idle adjustment needle 5. Second progression hole cover. Only on some carbs. 6. & 10. Start jet (Cold start) 7. Cold start valve assembly 8. Anchor plate for internal throttle return spring 9. Accelerator pump 11. Threaded plug Underneath is a check valve ball and a stuffing ball. 12. Accelerator pump intake and discharge valve 13. Main jet stack 14. Idle jet stack |
If you look into the bottom of the float chamber, on either side of the body
casting that holds the main and idle jets you will see two largish holes
going down. There is a baffled inner chamber area inside the casting that
feeds the jets. This baffling arrangement minimizes sloshing and helps keep
the fluid level constant under acceleration or cornering. There is an access
plate under the carb that allows you access to the inner baffle chamber.
for cleaning. Always use a new gasket.
You can perform a minor rebuild on a DCOE without removing it from the intake manifold or disrupting the linkage. All you normally need is a flat blade screwdriver, pair of pliers, 10 and 12MM wrenches, a pin to poke through progression holes and a compressed air supply to blow out passages. Major rebuilds can require special Weber tools. If you are going to remove the throttle shaft the official Weber tool would come in most handy. A major rebuild that requires special tools is not for the weak of heart and may best be done by a Weber rebuild professional (Besides most special Weber tools are expensive). I broke down and purchased my first Official Weber tool. It is their 10mm and 12mm socket wrench. I found one for US$2.50 and could not resist. The 10 mm socket is for the venturi retaining bolts and the 12 mm socket fits the air horn retaining nuts. And of course it just looks like it would be part of a TR3 tool roll. |
Gosh this is quite a lot of information. If you are trying to understand how DCOEs work from scratch I suggest rereading it at least one more time. It should make better sense the second time through.
Below are pictures of my TR3A's engine when I was first setting it up. I'm currently running regular fuel lines instead of the stainless braided ones that do not compress under a hose clamp. I also have added a fuel pressure regulator and pressure gauge to the bulkhead above the fuel pump and now route fuel to the carbs around the back side in front of the battery. Otherwise everything is pretty much as you see it. Well with the valve cover off anyway.


Pierce Manifolds The largest source for DCOE parts in the United States. They carry the best sync meter I have found. TWM has sold their carb intake manifold business to Pierce.
Coast Fabrication North American importer of itg race air filters. I assume they also carry itg air horns as well.
6 cyl TR engine application Shane Ingate demystifies triple DCOE set ups for the TR6, GT6 & TR250.
© 1997 - 2017 TeriAnn Wakeman. All rights reserved.